
ترانزیستور چیست و چگونه کار میکند؟
چگونگی عملکرد ترانزیستور – آموزش ساده و قابل فهم
در زمستان سال ۱۹۴۷، در آزمایشگاههای مشهور «بل»، سه پژوهشگر جوان ــ جان باردین، والتر براتین و ویلیام شاکلی ــ مشغول یافتن راهی برای غلبه بر محدودیتهای لامپهای خلأ بودند. این لامپها اگرچه ستون اصلی دنیای الکترونیک آن زمان بودند، اما بزرگ، داغ و بسیار پرمصرف بودند. تیم بل میخواست وسیلهای بسازد که همان کار تقویت سیگنال را انجام دهد، اما کوچکتر، خنکتر و قابلاعتمادتر باشد. تلاشها ابتدا با شکست همراه بود، اما همین شکستها بود که آنها را یک قدم به کشف بزرگتر نزدیکتر میکرد.
باردین و براتین روی یک قطعه کوچک از نیمهرسانای ژرمانیوم کار میکردند و بارها اتصالات را تغییر میدادند تا رفتار الکترونها را بهتر کنترل کنند. در یکی از روزها، وقتی باز هم یک آزمایش ظاهراً معمولی را تکرار میکردند، متوجه شدند که سیگنال ورودی ضعیف، در خروجی تقویت شده ظاهر میشود. آنها با هیجان به شاکلی گزارش دادند و میدانستند که این بار نتیجه متفاوت است؛ گویی یک جرقه علمی روشن شده باشد. این لحظه همان تولد اولین ترانزیستورِ نقطهای بود.
شاکلی که ذهنی تیز و دیدگاهی بلندپروازانه داشت، بلافاصله متوجه اهمیت این موفقیت شد. او شروع به طراحی نسخهای پایدارتر و قابلتولیدتر از این قطعه کرد؛ نسخهای که بعدها ترانزیستور اتصال دوقطبی (BJT) نام گرفت. این تحول تازه نه تنها مشکلات نسخه اولیه را حل میکرد، بلکه راه را برای تولید انبوه و استفاده گسترده از ترانزیستور هموار ساخت. به این ترتیب، ترانزیستور از یک آزمایش آزمایشگاهی، به قلب تپنده مدارهای الکترونیکی تبدیل شد.
کشف ترانزیستور نقطه پایان نبود، بلکه شروع عصر جدیدی در فناوری بود. با معرفی این قطعه کوچک، جهان الکترونیک وارد مرحلهای شد که در آن میشد مدارها را کوچکتر، سریعتر و قابلحملتر کرد. همین اختراع بود که بعدها به ظهور مدارهای مجتمع، ریزپردازندهها و در نهایت رایانههای مدرن منجر شد. داستان ترانزیستور، داستان لحظهای است که سه دانشمند با کنجکاوی و پشتکار، جرقه انقلابی را روشن کردند که هنوز هم زندگی ما را شکل میدهد.
چگونگی عملکرد ترانزیستور – آموزش ساده و قابل فهم
ترانزیستور یک قطعهی ساده است که میتوان از آن برای ساخت پروژههای جالب و متنوع استفاده کرد. در این راهنمای عملی، یاد خواهید گرفت که ترانزیستورها چگونه کار میکنند تا بتوانید آنها را در مدار بعدی خود به کار ببرید.
در واقع، وقتی اصول اولیه را یاد بگیرید، موضوع چندان دشوار نیست. در این آموزش تمرکز ما بر روی دو نوع متداول از ترانزیستورهاست: BJT و MOSFET.

ترانزیستور مانند یک کلید الکترونیکی عمل میکند. این قطعه میتواند جریان را روشن (ON) یا خاموش (OFF) کند. سادهترین روش برای درک عملکرد آن این است که ترانزیستور را مانند یک رله بدون اجزای متحرک در نظر بگیرید. از این نظر، ترانزیستور شبیه رله است، چون میتوان از آن برای روشن و خاموش کردن اجزای مختلف مدار استفاده کرد.
اما تفاوت مهم این است که ترانزیستور را میتوان تا حدی نیز روشن کرد؛ قابلیتی که در ساخت تقویتکنندهها (Amplifiers) بسیار کاربرد دارد.
چگونگی عملکرد ترانزیستور (BJT)
بیایید با نوع کلاسیکتر، یعنی ترانزیستور NPN شروع کنیم. این نوع از ترانزیستور، از نوع BJT (ترانزیستور پیوندی دوقطبی) است و دارای سه پایه میباشد:
- Base (پایه) – ورودی کنترل
- Collector (کلکتور) – ورودی یا مسیر جریان اصلی
- Emitter (امیتر) – خروجی جریان

وقتی ترانزیستور را روشن (ON) میکنید، جریان میتواند از پایهی کلکتور (Collector) به پایهی امیتر (Emitter) عبور کند. اما وقتی ترانزیستور خاموش (OFF) است، هیچ جریانی از آن عبور نخواهد کرد.
در مدار نمونهی زیر، ترانزیستور در حالت خاموش قرار دارد. به همین دلیل، هیچ جریانی از آن عبور نمیکند و در نتیجه دیود نورافشان (LED) نیز خاموش است.

برای روشن کردن ترانزیستور (ON)، باید ولتاژی در حدود ۰٫۷ ولت بین پایهی بیس (Base) و امیتر (Emitter) اعمال کنید.
اگر یک باتری ۰٫۷ ولتی داشتید، میتوانستید آن را بین بیس و امیتر وصل کنید و در نتیجه ترانزیستور روشن میشد.
اما از آنجا که معمولاً باتری ۰٫۷ ولتی در دسترس نیست، سؤال پیش میآید که چطور میتوان ترانزیستور را روشن کرد؟
پاسخ ساده است!
بخش بین بیس و امیتر در ترانزیستور مانند یک دیود عمل میکند. یک دیود در حالت بایاس مستقیم، مقداری ولتاژ ثابت (در حدود ۰٫۷ ولت) از منبع میگیرد. اگر یک مقاومت (Resistor) را به صورت سری با بیس وصل کنید، مابقی ولتاژ روی مقاومت میافتد.
بنابراین، بهطور خودکار حدود ۰٫۷ ولت بین بیس و امیتر به دست میآید و ترانزیستور روشن میشود.
این دقیقاً همان اصولی است که در مدارهای LED نیز برای محدود کردن جریان به کار میرود تا LED نسوزد.
اگر در مدار یک کلید فشاری (Pushbutton) هم اضافه کنید، میتوانید با فشار دادن آن، ترانزیستور و در نتیجه LED را روشن یا خاموش کنید.

انتخاب مقادیر المانها
برای انتخاب مقادیر مناسب قطعات در مدار، لازم است یک نکتهی مهم دیگر را دربارهی نحوهی عملکرد ترانزیستور بدانید:
وقتی جریانی از پایهی بیس (Base) به سمت امیتر (Emitter) عبور کند، ترانزیستور روشن میشود (به حالت هدایت میرود) و این باعث میشود جریان بزرگتری بتواند از کلکتور (Collector) به امیتر (Emitter) عبور کند.
به عبارت دیگر، جریان بیس، جریان کلکتور را کنترل میکند — یک جریان کوچک در بیس، میتواند یک جریان بسیار بزرگتر را در مسیر کلکتور–امیتر عبور دهد.

بین اندازهی این دو جریان (جریان بیس و جریان کلکتور) رابطهای وجود دارد که به آن ضریب تقویت ترانزیستور (Gain) یا β (بتا) گفته میشود.
برای ترانزیستورهای عمومی مانند BC547 یا 2N3904، مقدار بتا معمولاً در حدود ۱۰۰ است.
یعنی اگر ۰٫۱ میلیآمپر (mA) جریان از بیس به امیتر عبور کند، میتوان انتظار داشت حدود ۱۰ میلیآمپر (۱۰۰ برابر بیشتر) از کلکتور به امیتر جاری شود.
حال سؤال این است که مقدار مقاومت R1 باید چقدر باشد تا جریان ۰٫۱ میلیآمپر از بیس عبور کند؟
اگر ولتاژ منبع تغذیه ۹ ولت باشد و بین بیس و امیتر ترانزیستور حدود ۰٫۷ ولت افت ولتاژ وجود داشته باشد، در نتیجه ولتاژ باقیمانده روی مقاومت برابر است با:
9V−0.7V=8.3
اکنون با استفاده از قانون اهم (Ohm’s Law) میتوان مقدار مقاومت را محاسبه کرد:
بنابراین به یک مقاومت با مقدار ۸۳ کیلو اهم (kΩ) نیاز دارید. این مقدار یک مقدار استاندارد در سری مقاومتها نیست، اما ۸۲ کیلو اهم مقدار استاندارد و بسیار نزدیک به آن است و به خوبی در مدار کار میکند.
مقاومت R2 برای محدود کردن جریان عبوری از LED در مدار قرار داده میشود. مقدار آن را میتوانید مشابه زمانی انتخاب کنید که LED و مقاومت را بهطور مستقیم به باتری ۹ ولتی وصل میکردید (بدون استفاده از ترانزیستور). برای نمونه، یک مقاومت ۱ کیلو اهم (1 kΩ) معمولاً گزینهی مناسبی است.
چگونه یک ترانزیستور انتخاب کنیم
ترانزیستور NPN رایجترین نوع در میان ترانزیستورهای پیوندی دوقطبی (BJT) است. البته نوع دیگری از این خانواده نیز وجود دارد به نام ترانزیستور PNP که دقیقاً به همان شکل کار میکند، با این تفاوت که جهت همهی جریانها برعکس است.
هنگام انتخاب یک ترانزیستور، مهمترین نکتهای که باید در نظر داشته باشید این است که ترانزیستور تا چه میزان جریان میتواند تحمل کند. این پارامتر با عنوان جریان کلکتور (Collector Current – IC) شناخته میشود و نشاندهندهی بیشترین جریانی است که میتواند از مسیر کلکتور به امیتر عبور کند، بدون آنکه ترانزیستور آسیب ببیند.
چگونگی عملکرد ترانزیستور MOSFET
ترانزیستور MOSFET (Metal–Oxide–Semiconductor Field-Effect Transistor) یکی دیگر از انواع بسیار متداول ترانزیستورهاست. این نوع نیز مانند BJT دارای سه پایه است که عبارتند از:
-
Gate (گیت) – پایهی کنترلی که ولتاژ ورودی به آن اعمال میشود.
-
Source (سورس) – مسیر ورودی یا مرجع جریان.
-
Drain (درین) – مسیر خروجی جریان.

ترانزیستور MOSFET عملکردی مشابه ترانزیستور BJT دارد، اما یک تفاوت مهم میان آنها وجود دارد:
در ترانزیستور BJT، جریان بین بیس و امیتر تعیین میکند که چه مقدار جریان میتواند از کلکتور به امیتر عبور کند.
اما در ترانزیستور MOSFET، این ولتاژ بین گیت و سورس (Vgs) است که مشخص میکند چه مقدار جریان میتواند از درین به سورس عبور کند.
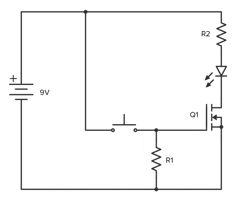
مثال: چگونه یک ترانزیستور MOSFET را روشن کنیم
در شکل زیر (مدار نمونه)، یک مدار برای روشن کردن یک ترانزیستور MOSFET نشان داده شده است.
در این مدار، با اعمال ولتاژ مناسب به پایهی گیت (Gate)، ترانزیستور وارد حالت هدایت (ON) میشود و جریان میتواند از درین (Drain) به سورس (Source) عبور کند.

برای روشن کردن یک ترانزیستور MOSFET، باید ولتاژی بین پایههای گیت (Gate) و سورس (Source) اعمال کنید که بیشتر از ولتاژ آستانه (Threshold Voltage) آن ترانزیستور باشد.
برای مثال، ترانزیستور BS170 دارای ولتاژ آستانهی گیت–سورس (Vth) برابر با ۲٫۱ ولت است (این مقدار را میتوانید در دیتاشیت قطعه مشاهده کنید).
نکتهی مهم این است که ولتاژ آستانه در واقع نقطهای است که ترانزیستور تازه در آستانهی خاموش شدن قرار دارد؛ بنابراین برای اینکه ترانزیستور را کاملاً روشن (در حالت هدایت کامل) کنید، باید ولتاژی کمی بیشتر از مقدار آستانه به گیت بدهید.
مقدار دقیق این ولتاژ اضافی بستگی به میزان جریان مورد نیاز در خروجی دارد (این اطلاعات نیز در دیتاشیت موجود است). به طور معمول، افزایش چند ولت بالاتر از ولتاژ آستانه برای کاربردهایی با جریان کم — مثل روشن کردن یک LED — کاملاً کافی است.
به یاد داشته باشید که حتی اگر ولتاژی اعمال کنید که MOSFET توانایی عبور ۱ آمپر جریان را داشته باشد، این به معنی عبور واقعی ۱ آمپر نیست؛ بلکه تنها به این معناست که در صورت نیاز مدار، MOSFET میتواند تا آن مقدار جریان را عبور دهد. مقدار واقعی جریان را مداری که به خروجی وصل کردهاید تعیین میکند.
شما میتوانید ولتاژ گیت را تا هر مقدار دلخواه افزایش دهید، به شرطی که از حداکثر ولتاژ مجاز گیت–سورس (Vgs max) تجاوز نکنید. برای ترانزیستور BS170، این مقدار حداکثر ۲۰ ولت است.
در مثال مدار بالا، وقتی دکمه را فشار میدهید، پایهی گیت به ولتاژ ۹ ولت متصل میشود و در نتیجه ترانزیستور روشن میشود (در حالت هدایت قرار میگیرد).
انتخاب مقادیر المانها
- مقدار مقاومت R1 خیلی حیاتی نیست، اما مقداری در حدود ۱۰ کیلو اهم (10 kΩ) معمولاً بهخوبی عمل میکند. وظیفهی آن این است که پس از رها کردن دکمه، MOSFET را خاموش کند (در ادامه توضیح داده میشود).
- مقاومت R2 میزان روشنایی LED را تنظیم میکند. معمولاً مقدار ۱ کیلو اهم (1 kΩ) برای بیشتر LEDها مناسب است.
- ترانزیستور Q1 میتواند تقریباً هر نوع MOSFET از نوع N-channel باشد؛ برای مثال BS170 یک گزینهی متداول است.
چگونه یک MOSFET را خاموش کنیم؟
نکتهی مهمی که باید دربارهی MOSFET بدانید این است که این قطعه رفتاری شبیه یک خازن (Capacitor) دارد — بهویژه بین پایههای گیت و سورس.
وقتی یک ولتاژ بین گیت و سورس اعمال میکنید، این ولتاژ در آن ناحیه ذخیره میشود و تا زمانی که تخلیه (Discharge) نشود، باقی میماند.
به همین دلیل، برای خاموش کردن MOSFET باید این بار الکتریکی ذخیرهشده روی گیت را تخلیه کنید؛ معمولاً این کار با استفاده از مقاومت R1 انجام میشود که مسیر تخلیهی ولتاژ گیت را فراهم میکند.

در مدار مثال بالا، اگر مقاومت R1 وجود نداشته باشد، ترانزیستور خاموش نخواهد شد. وجود این مقاومت باعث میشود برای خازن گیت–سورس (Gate–Source) مسیر تخلیهای فراهم شود تا بار ذخیرهشده تخلیه گردد و در نتیجه ترانزیستور دوباره خاموش (OFF) شود.
چگونه یک ترانزیستور MOSFET انتخاب کنیم
در مدار بالا از یک MOSFET نوع N-channel استفاده شده است. نوع دیگر، یعنی P-channel MOSFET نیز دقیقاً به همان شکل کار میکند، با این تفاوت که جهت جریانها برعکس است و برای روشن شدن آن باید ولتاژ گیت نسبت به سورس منفی باشد.
هزاران مدل مختلف MOSFET در بازار وجود دارد، اما اگر بخواهید مدار نمونهی بالا را بسازید، دو مدل پرکاربرد و مناسب عبارتاند از: BS170 و IRF510.
در هنگام انتخاب MOSFET، دو ویژگی اصلی را باید حتماً در نظر بگیرید:
- ولتاژ آستانه گیت–سورس (Gate-to-Source Threshold Voltage)
ولتاژی است که باید بیشتر از آن مقدار باشد تا ترانزیستور روشن شود. - جریان مداوم درین (Continuous Drain Current)
بیشترین مقدار جریانی است که میتواند بهطور پیوسته از مسیر درین به سورس عبور کند، بدون آنکه MOSFET آسیب ببیند.
البته پارامترهای دیگری نیز وجود دارند که با توجه به نوع پروژه ممکن است اهمیت پیدا کنند، اما بررسی آنها خارج از محدودهی این آموزش است.
اگر فقط همین دو پارامتر بالا را در نظر بگیرید، نقطهی شروع بسیار خوبی خواهید داشت.
جریان گیت در MOSFET
اگر قصد دارید یک MOSFET را با استفاده از میکروکنترلرهایی مانند Arduino یا Raspberry Pi کنترل کنید، باید نکتهی دیگری را هم در نظر داشته باشید:
جریانی که هنگام روشن شدن از پایهی گیت عبور میکند.
همانطور که پیشتر اشاره شد، ناحیهی گیت–سورس در MOSFET مانند یک خازن عمل میکند.
به همین دلیل، وقتی این خازن شارژ میشود، دیگر جریانی از گیت عبور نمیکند. یعنی وقتی MOSFET در حالت روشن (ON) است، هیچ جریان پایداری در گیت وجود ندارد.
اما در لحظهای که ترانزیستور در حال روشن شدن است، مانند زمانی که یک خازن را شارژ میکنید، جریان لحظهای زیادی میتواند از گیت عبور کند — هرچند فقط برای کسری از ثانیه.
برای اینکه از آسیب دیدن آردوینو یا سایر کنترلرها بر اثر این جریان لحظهای جلوگیری کنید، باید در مدار خود یک مقاومت مخصوص گیت MOSFET قرار دهید. این مقاومت معمولاً به نام Gate Resistor شناخته میشود و مقدار آن با توجه به نوع MOSFET و سرعت سوئیچینگ مورد نظر انتخاب میگردد.

مقدار ۱۰۰۰ اهم (۱ kΩ) معمولاً برای مقاومت گیت مقدار مناسبی است.
البته بهتر است با استفاده از قانون اهم (Ohm’s Law) مقدار دقیق را با توجه به شرایط خاص مدار خود محاسبه کنید.
چرا به ترانزیستور نیاز داریم؟
یکی از سؤالهای رایجی که معمولاً پرسیده میشود این است که:
«چرا اصلاً باید از ترانزیستور استفاده کنیم؟ چرا LED و مقاومت را مستقیماً به باتری وصل نکنیم؟»
پاسخ ساده است:
مزیت اصلی ترانزیستور این است که میتواند با یک جریان یا ولتاژ کوچک، یک جریان یا ولتاژ بسیار بزرگتر را کنترل کند.
این ویژگی زمانی بسیار مفید است که بخواهید از طریق بردهایی مانند Arduino، Raspberry Pi یا سایر میکروکنترلرها وسایلی مانند موتور، LEDهای پرقدرت، بلندگو، رله و موارد مشابه را کنترل کنید.
پینهای خروجی این بردها معمولاً فقط میتوانند چند میلیآمپر جریان در ولتاژ ۵ ولت تأمین کنند. بنابراین اگر بخواهید مثلاً چراغهای ۱۱۰ ولتی حیاط خانه را کنترل کنید، نمیتوانید آنها را مستقیماً به پین متصل کنید.
در چنین حالتی میتوانید از یک رله (Relay) استفاده کنید تا جریان بالا را قطع و وصل کند. اما حتی خود رله نیز برای فعال شدن، معمولاً جریان بیشتری نسبت به توان خروجی پین نیاز دارد.
بنابراین، در اینجا ترانزیستور وارد عمل میشود:
شما با استفاده از ترانزیستور میتوانید رله را کنترل کنید و در نتیجه، جریانها و ولتاژهای بزرگتر را بهطور غیرمستقیم از طریق میکروکنترلر یا آردوینو مدیریت نمایید.

اما ترانزیستورها فقط برای کنترل بارهای بزرگ مانند موتور یا رله به کار نمیروند؛ بلکه در مدارهای حسگر سادهتر نیز بسیار مفید هستند.
برای مثال، در مدار حسگر نوری (Light Sensor)، مدار حسگر لمسی (Touch Sensor) یا مدار پل H (H-Bridge) از ترانزیستورها برای کنترل سیگنالها و سوییچکردن جریانها استفاده میشود.
در واقع، ما تقریباً در تمام مدارهای الکترونیکی از ترانزیستور استفاده میکنیم. میتوان گفت که ترانزیستور مهمترین قطعه در الکترونیک مدرن است.
ترانزیستور به عنوان تقویتکننده (Amplifier)
ترانزیستور همان قطعهای است که باعث عملکرد تقویتکنندهها میشود.
برخلاف حالت کلید ساده که فقط دو وضعیت روشن (ON) و خاموش (OFF) دارد، ترانزیستور میتواند در هر نقطهای بین این دو حالت نیز قرار گیرد؛ یعنی نیمههدایت باشد.
این ویژگی باعث میشود که یک سیگنال بسیار کوچک و ضعیف (با انرژی ناچیز) بتواند ترانزیستور را کنترل کند تا در بخش کلکتور–امیتر (Collector–Emitter) یا درین–سورس (Drain–Source) همان سیگنال را با قدرت و جریان بسیار بیشتر بازتولید کند.
به این ترتیب، ترانزیستور قادر است سیگنالهای کوچک را تقویت کند.
در شکل زیر یک مدار تقویتکنندهی ساده برای راهاندازی یک بلندگو نشان داده شده است.
در این مدار، هرچه ولتاژ ورودی بیشتر باشد، جریان عبوری از بیس به امیتر افزایش مییابد، و در نتیجه جریان عبوری از بلندگو نیز بیشتر میشود.
وقتی ولتاژ ورودی متغیر باشد، جریان عبوری از بلندگو نیز به همان نسبت تغییر میکند — و این تغییرات جریان باعث ایجاد صدا (Sound) در بلندگو میشود.

معمولاً در مدارهای تقویتکننده، برای بهبود عملکرد ترانزیستور چند مقاومت دیگر جهت بایاس (Biasing) نیز به مدار اضافه میشود.
در غیر این صورت، اعوجاج (Distortion) زیادی در خروجی به وجود میآید.
اما توضیح دقیق این بخش را میگذاریم برای مطلبی جداگانه.
اگر علاقه دارید بیشتر درباره عملکرد ترانزیستور به عنوان تقویتکننده یاد بگیرید، سایت electronics-lab.com آموزشهای بسیار خوبی دارد که سه نوع اصلی پیکربندی تقویتکنندههای BJT را بهصورت مرحلهبهمرحله بررسی میکند.
💬 سؤالی داری؟
حالا که تا اینجا رسیدیم، فکر میکنی درک بهتری از نحوه کار ترانزیستور پیدا کردی؟
یا هنوز بخشهایی هست که برات گیجکننده به نظر میرسه؟ در بخش نظرات بنویس تا با هم بررسیش کنیم.



